こんにちは。
今回は「電磁力平衡方式の天びん」の第4回です。今回は「電磁力発生部」におけるフォースコイルについて解説します。フォースコイルにはボビン付きタイプと空芯タイプの違いがありますが、いずれも磁石とポールピース間の磁気(回路)空間に配置されます。フォースコイルの形状は変換効率や機構部の構造から一般的には円柱形となります。
右図は一般的な磁気回路の構造図ですが、マグネットはヨークに固定され、もう片方にポールピースが固定されています。ヨークは機構部土台に固定され、フォースコイルは機構部ビーム(図示省略)側に固定された、いわゆる可動コイル方式の構造になっています。
前回(第3回)にも書きましたが、発生する電磁力Fは次式で表されます。
F=B・I・ℓ
B:磁束密度 I:電流 ℓ:長さ
従って電磁力Fは、「磁束密度B」、「電流I」、「長さℓ」によって決まります。
「磁束密度B」は磁石の種類・形状・磁気回路構造から決まり、「電流I」は発熱(温度上昇)と性能の関係から、できるだけ小さくしますが発生させる電磁力Fとのバランスを考えます。「長さℓ」はコイル線径や発熱(銅損)、形状の関係から一定の制約が発生します。また、コイルは大きさや自重の制約から、なるべく小型であることが求められます。
設計上のパラメータは B・I・ℓ の3種類ですが、机上計算では自由に設定できるとしても、実際には機構部の構造・形状、発生させる電磁力F、性能・精度、製品仕様、コスト等々によって制約を受けます。
1. 磁束密度 B
磁束密度が高く、温度係数の小さい磁石を選定します。機構部の制約、コイルの条件、電流 I の許容範囲などを考慮して形状を決定します。前回(第3回)でも触れましたが、サマリウムコバルト磁石などが一般的に使用されています。
2. 電流 I
コイルの発熱が性能に与える影響と電磁力 F のバランスを考えて決定します。電流が少ないほど発熱の影響を低減できるため、一般的には 数十 mA 以下で使用します。ただし、発生する電磁力Fもすくな無くなるため、機構部(てこ比)や磁石等を考慮して検討します。
3. 長さ ℓ
長いほど有利ですが、実際には機構部の形状・寸法、磁気回路の制約からコイル寸法や線径が決まります。磁束密度やギャップ(磁束空間)によっても制限されます。実際の長さ ℓ は
ℓ = 2πr・N(N:巻数、r:コイル半径)
のように表されます。
フォースコイルや磁気回路の設計は手計算でも可能ですが、パラメータを変更しながら計算するのは、それなりに大変です。現在は解析ソフトや磁石メーカーの資料が充実しているため、これらを活用するほうが効率的でしょう。それぞれの値は現実的な寸法・形状の制約から、必ずしも最大効率にならない場合もありますが、制約条件の中で最適値を選択することが重要です。
図では、ポールピースの寸法とコイル高さ(幅)を同じ寸法で図示していますが、実際にはポールピース寸法より少し低く(短く)設定されています。これは、コイルが常に同じ量の磁束を切るように、コイル全体を同一の磁束空間内に配置し、コイル位置が変化しても磁力の変化を小さくするためです。
コイル位置はビームに取り付けられた「位置検出器」で決まりますが、コイルが磁束空間の中心に来るように配置します。実際には「位置検出器」を微調整し、磁力が最大となる位置を探索して合わせ込みます。
上図のコイルは空芯コイルで図示していますが、ボビンに巻いたタイプのコイルもあります。それぞれにメリット・デメリットがあるため、構造設計の段階でよく検討しておくとよいでしょう。
空芯コイル
メリット:「ℓ」(コイル長)を長くできる。同一外形の場合、発熱量を減らすために、長さは短くなるが線径を太くできる。等々。
デメリット:ビームへの取り付け方法が難しい。コイル位置を保持することが難しい。巻線形状を保持するのが難しい。等々。
ボビン付きコイル
メリット:ビームへの取り付けが容易になる。コイル位置を保持しやすい。ボビンを介してコイルの発熱を放熱できる。等々。
デメリット:ボビンの質量が追加されるため可動部(ビーム)全体が重くなる。ℓが短くなり、線径を太くできない。等々。
空芯コイルを使用するか、ボビン付きコイルにするかの選択は、機構部の構造、性能、コスト等々を設計段階で充分検討しておくと良いでしょう。
コイル線材
コイル形状を保持するため、自己融着性のある線材が使われることが多く、通常の線材を使う場合でも、巻線後の形状保持のために含浸や接着などの加工を行います。線径は供給する最大電力や損失、加工性などを考慮して φ0.1 mm〜φ0.2 mm 程度が一般的に用いられています。ただし、線径が細くなると抵抗値が増加し、一般的な材料では、φ0.1 mm の線径は φ0.2 mm に比べて抵抗値が約 3倍 になりますので、駆動電圧、電力、損失なども併せて考慮しておきます。
コイルの発熱の影響
「力」を発生させるために電流を流しますが、線材には抵抗があり損失となって発熱します。コイル自身への直接的な悪影響は小さいものの、温度係数の大きい磁石(マグネット)を加熱してしまい、その結果、天びんの指示値に影響を与えます。
このため、「駆動電力を低く抑え、駆動電流もなるべく少なくして発熱を極力抑える」ことが重要になります。また、可能な限り放熱性を高める工夫も必要です。
ここでは直流駆動を前提に説明しているため、発生する「力」が増えると駆動電力・発熱も増加しますが、天びんメーカや製品によっては、交流駆動の「パルス駆動方式」や「両電源(±)パルス駆動方式」等によって、発熱量を一定化する手法も存在し、特許化もされています。基本特許の多くはすでに権利が消滅しているため、参考として調査するとよいでしょう。
コイルの発熱による天びんの指示値の変動が大きい場合は、外気温に対する温度補正とは別に、発熱の影響を補正する必要になることがあります。その場合、専用の温度センサを追加搭載したり、個別にソフトウェアで補正する可能性もあります。設計段階で発熱が天びん性能に与える影響を十分に検討・考慮しておきましょう。
湿度の影響・対策
空芯コイル、ボビン付きコイルのどちらであっても、コイル単体に適切な防湿対策を施さなければ湿度の影響を受けます。湿度が高くなると水分がコイル表面・内部に吸着し、コイル質量が増加、天びん指示値が変化してしまいます。一方、湿度が低下しても水分の脱着は非常に遅く、容易に元のコイル質量へ戻りません。また外気温度の影響も受けやすく、特にコイル内部に吸着した水分は通常環境では脱着が困難であり、補正も現実的にはほぼ不可能になります。
そのため、「コイル全体を防湿処理する、または密閉構造とする」等の対策が必要になります。コイルの防湿対策に関しては、多くの特許も出願されていますので参考にすると良いでしょう。
防湿効果のある材料でコイル全体をコーティング処理、又は含侵処理する方法の場合には、材料には吸湿性の無い/少ない、あるいは吸脱着が容易な材料を選択することが重要です。
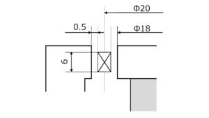
コイル形状・寸法
最終的なコイル形状・寸法は、使用する磁石、磁気回路(ポールピース、ヨーク、ギャップ)の形状・寸法、ボビンの有無、線材の線径などによって決まります。
例として、
・空芯コイル中心径:φ20 mm
・ポールピース径:φ18 mm
・空間ギャップ:0.5 mm ×2(両側)
の場合、コイルの厚みは 「1 mm」 となります。
コイル幅(高さ)を 6 mmと仮定すると、
・線径 φ0.1 mm の線材の場合 → 最大約 600 ターン
・線径 φ0.14 mm の線材の場合 → 約 300 ターン
の巻線が可能です(計算値)。
フォースコイルは必要な「力」、磁石種類、磁気回路(寸法・形状)、機構部の構造・形状、投入する電力、実用的な線径、等々から、実際にはある程度同じような形状・寸法になると予想します。
前回の磁気回路、磁石、機構部の構造・形状を含めて、「電磁力発生部」は新規に一から設計するにはパラメータが多く、フォースコイルの形状や寸法を単独で決めるのは難しいかもしれません。市場の電磁式天びんや特許、公開情報等を参考にするのが良いと思います。
以前も書きましたが、電磁式天びんに限らず質量計測のセンサや計量器類は、世界中で開発競争が進んでいます。技術者は完成している現物をじっくり調べながら、公開されている特許、文献、資料を参考に勉強されるとよいと思います。
ご意見、ご要望、ご質問、ご感想をお待ちしております。
「お問い合わせ」からご連絡ください。
技術的なアドバイス、コンサルティング及び技術開発、製品開発のお手伝いを行います。
ご要望があれば「お問い合わせ」からご連絡ください。
参考文献:
「はかりハンドブック 第2版」:日刊工業新聞社発行
「最新のはかり技術」:西口 日本計量新報社
「質量の精密測定マニュアル」:日本規格協会
JIS B 0192:はかり用語
JIS Z 8103:計測用語
「島津評論」:Vol.38 №3 (1981.9)
「PID制御」:システム制御情報学会編 朝倉書店
「永久磁石」:株式会社トーキン
ロードセルメーカ、はかりメーカのWebサイト
*質量計関連のJIS規格(最新版=年度は改版されている可能性があります)
JIS B 7611-1:2005 非自動はかり―性能要件及び試験方法―第1部:一般計量器
Nonautomatic weighing instruments — Metrological and technical requirements and Tests — Part 1: General measuring instruments
JIS B 7611-2:2015 非自動はかり―性能要件及び試験方法―第2部:取引又は証明用
Non-automatic weighing instruments — Metrological and technical requirements and tests — Part 2: Measuring instruments used in transaction or certification
JIS B 7611-3:2015 非自動はかり―性能要件及び試験方法―第3部:分銅及びおもり―取引又は証明用
Non-automatic weighing instruments — Metrological and technical requirements and tests — Part 3: Weights and poises used in transaction or certification
JIS B 7612-1:2022 質量計用ロードセル―第1部:アナログロードセル
Load Cells for Weighing Instruments — Part 1: Analog Load Cells
JIS B 7612-2:2022 質量計用ロードセル―第2部:デジタルロードセル
Load Cells for Weighing Instruments — Part 2: Digital Load Cells
法律・政令
法律:計量法
政省令:計量法施行令、計量法施行規則、計量単位令、計量単位規則、特定計量器検定検査規則、基準器検査規則
OIML R60:Metrological regulation for load cells
OIML R76-1:Non-automatic weighing instruments
Part 1: Metrological and technical requirements – Tests

